ePerTutti


Appunti, Tesina di, appunto elettronica

Amplificatore Operazionale

ricerca 1
ricerca 2

Amplificatore Operazionale


Ipotesi di Idealità


Gli amplificatori operazionali sono degli amplificatori ad accoppiamento diretto,  non richiedono cioè condensatori o trasformatori per l'aggancio del segnale, sono inoltre degli amplificatori ad alto guadagno.



Mediante l'aggiunta di una semplice rete esterna di retroazione si riesce ad ottenere le caratteristiche di risposta desiderata.

Il nome 'Operazionale' è dovuto alla ragione per cui era stato realizzato, eseguire cioè operazioni matematiche.


Lo schema circuitale è il seguente :



L'amplificatore operazionale ha un' ingresso differenziale, un'alimentazione Duale ed una singola uscita.

Anche per piccoli segnali di ingresso il guadagno di uscita è elevato ( questo comporta che il componente va facilmente in saturazione, per cui si retroaziona negativamente ).

Le sue proprietà ideali sono :


Av    il guadagno è infinito

Zi impedenza di ingresso infinita

Zu = 0 impedenza di uscita pari a 0

B Banda passante infinita

CMRR   (Common Mode Rejection Ratio) infinito


di queste ipotesi di idealità, le più usate sono le prime due.

Diciamo anche che :

dall' ipotesi che  Av,  ne deriva che  V1 = V2

dall' ipotesi che  Zi, ne deriva che non c'è assorbimento di corrente

dall' ipotesi che  Zu = 0 , ne deriva che la tensione di uscita non dipende dal carico

dall' ipotesi che B, ne deriva che non abbiamo limiti di frequenza sul segnale da applicare

dall' ipotesi che CMRR , ne deriva che la temperatura è ininfluente, esso rappresenta inoltre l'attitudine a respingere i disturbi in ingresso.


L'amplificatore Operazionale


Iniziamo a vedere come si comporta un' amplificatore operazionale


Collegando l'amplificatore ad una alimentazione singola, l'uscita può andare da 0V a circa il valore di Vcc.

Collegando l'amplificatore ad una alimentazione duale, l'uscita può andare da circa -Vcc a circa Vcc.


Un' amplificatore operazionale ha due ingressi, quello invertente '-' e quello non invertente '+'.


Quando il piedino '+' supera di pochi millivolt il piedino '-' l'uscita dell'amplificatore Operazionale è Alta, se il piedino '-' viene collocato ad una tensione 'x', magari utilizzando un partitore di tensione, il valore del piedino '+' deve superare di pochi millivolt il valore di tensione sul Piedino '-' affinchè l'uscita dell' A-Op passi da un livello Basso ad un livello Alto.


Guardiamo l'esempio :


Operazionali Reali


L' OFF Set


Gli Amplificatori operazionali reali ( per la precisione non tutti ) hanno altri collegamenti esterni da conurare, i più comuni sono i piedini di OFF Set.

Quando entrambe gli ingressi sono posizionati allo stesso valore di tensione per esempi lo 0, l'uscita dovrebbe essere 0, in realtà questo non avviene mai. Se durante la progettazione di un circuito ci si rende conto che questa condizione non la si riesce ad equilibrare, si può utilizzare un potenziometro di 10KOhm o 100KOhm con il centrale a Massa collegato tra i pin di OFF Set, come nell'immagine seguente :


Questo squilibrio è dovuto alla  mancanza di simmetria nel circuito interno dell'amplificatore operazionale.


Lo Slew Rate


Si chiama slew-rate La massima velocità di variazione della tensione in uscita. Se in ingresso ad un' amplificatore operazionale poniamo un segnale ad onda quadra, noteremo in uscita un ritardo sulla salita dell'onda.

Lo Slew-Rate è dato dal rapporto tra il dislivello di tensione e l'arco di tempo necessario al segnale per arrivare al suo massimo livello.

SR = V/T





Inseguitore di Tensione


Una delle possibili conurazioni utilizzabili è quella del 'Voltage Follower' (Buffer).

In questa conurazione il valore di tensione dell' uscita segue fedelmente  le variazioni di tensione in ingresso, può sembrare banale come strumento, ma se prendiamo in considerazione le caratteristiche di un Amp-Op e cioè Zi e  Zu = 0, possiamo subito capire come questo strumento possa essere utilizzato per disaccoppiare circuiti elettronici.

Esso non assorbe corrente in ingresso e non ha limiti di corrente in uscita.


Come funziona lo si intuisce facilmente, applicando un segnale sul piedino '+', l'uscita tende al valore di  Vcc questa però è collegata al piedino '-', per ipotesi di idealità V1 = V2 quindi il piedino invertente bloccherà la crescita di Vu, che sarà cosi mantenuto sempre ad un valore di tensione di pochi millivolt inferiore al piedino '+'.

In questa conurazione il guadagno di tensione è pari ad 1.


Amplificatore di tensione


L'amplificatore operazionale, ovviamente, può essere utilizzato come amplificatore, iniziamo quindi a vedere le conurazioni base ed i relativi circuiti.


Invertente


Il primo che andremo ad analizzare è un amplificatore  invertente ovvero il segnale applicato in ingresso lo si ritroverà in uscita amplificato e sfasato di 180°, se il segnale in ingresso è negativo lo si ritroverà in uscita positivo e viceversa.

Lo schema base è il seguente :


dimostriamo quindi che il rapporto tra tensione di uscita e tensione di ingresso è un numero maggiore di 1, questo sta ad indicare che il segnale è stato amplificato.

Il guadagno di tensione infatti è proprio :


 Av = Vu/Vi

dalle ipotesi di idealità dell' Amp-Op sappiamo che Av e che Zi ne derivano quindi, con calcoli matematici, delle conseguenze significative.

Se Av ,  risulterà vera l'espressione per cui V1 = V2,  inoltre essendo Zi,  il punto A può non essere considerato un nodo in quanto l'Amp-Op non assorbe corrente, di conseguenza anche I1 = I2.

Precisiamo inoltre che il punto A sarà una massa Virtuale non convogliando realmente le correnti a massa.


In base a tutte le ipotesi fatte potremo diremo quindi che :


I1 = Vi/R1  e che I2 = - Vu/R2


se I1 = I2 potremo eguagliare le equazioni :


Vi/R1 = -Vu/R2

da cui

Av =Vu/Vi = -R2/R1


quindi la tensione di uscita è sfasate di 180° ed è pari al rapporto tra R2 ed R1


Vu = - (R2/R1) x Vi


se R2 ed R1 sono uguali il guadagno e Unitario.


Non Invertente


Il secondo schema che vedremo è quello di un Amplificatore non invertente, ovvero il segnale applicato in ingresso lo si ritroverà in uscita amplificato ed in fase.


lo schema base è il seguente :


le ipotesi di idealità sono le stesse, per cui se Av =>   V1 = V2  e se Zi =>  I1 = I2, ricordando questa volta che il punto A è allo stesso potenziale di ½ ne risulta che :


I1 = Vi/R1  e che I2 = (Vu - Vi)/R2

da cui uguagliando le correnti

Vi/R1 = (Vu - Vi)/R2  =>  Vu/Vi = 1+R2/R1


avremo nuovamente che la tensione di uscita dipenderà fortemente del rapporto tra R2 ed R1


Vu = (1+ R2/R1) x Vi



Convertitore Corrente -Tensione


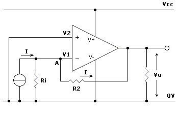
Osserviamo come un' amplificatore operazionale possa funzionare da convertitore Corrente - Tensione.

Per questo scopo è possibile utilizzare sia lo schema Invertente che il non Invertente


si possono fare delle semplici considerazioni applicando all'ingresso dell' Amplificatore Operazionale un generatore di corrente, come illustrato in ura, la corrente I attraverserà anche R2 e sarà proprio la corrente di carico, avremo quindi :


Vu = -R2/R1 x ½ => -R2/R1 x (Ri x I) 

Visibilmente dallo schema, R1 non c'è, inoltre Ri è collegato tra Massa ed il Punto A, anch'esso a massa virtualmente, di conseguenza la formula si scriverà :


Vu = R2 x I


La corrente di ingresso I è trasformata nella tensione Vu.



Amplificatore Differenziale


L'Amplificatore Operazionale in conurazione Differenziale serve ad amplificare la differenza tra i segnali applicati all'ingresso, lo schema è il seguente :


per ottenere Vu applichiamo il principio della sovrapposizione degli effetti, consideriamo quindi :


Vu = Vu1 + Vu2


Cortocircuitiamo quindi una volta V2 ed una volta V1 ottenendo due circuiti risultanti :


Ponendo V2 = 0 avremo che

Ponendo V1 = 0 avremo che

Vu1 = - R2/R1 x V1

Vu2 = (1+ R2/R1 ) Va


Va è il partitore di tensione


Va = (R4/(R3+R4)) x V2


di conseguenza Vu :


Vu2 = ((1+R2/R1) x (R4/(R3+R4))) x V2



A questo punto sommando gli effetti

Vu = Vu1 + Vu2

quindi :

Vu = [((1+R2/R1) x (R4/(R3+R4))) x V2] + [- R2/R1 x V1]


Vu = (R1+R2/R1) x (R4xV2/R3+R4) - (R2/R1) x V1


se poniamo R1=R3 ed R2=R4 => R1+R2=R3+R4 => R2/R1=R4/R1 e semplificando


Vu = ( R4/R1) x V2 - (R2/R1) x V1

ancora :

Vu = R2/R1 x (V2-V1)


Quindi :

Ad = Vu/(V2-V1) = R2/R1


la differenza dei segnali risulta amplificata tramite il coefficiente moltiplicativo R2/R1.

Una considerazione da farsi su questo circuito è che di norma gli Amp-Op hanno un CMRR , in questo circuito questo non può essere considerato tale essendo esso proporzionale al valore di due resistenze, inoltre gli ingressi non risultano uguali, un segnale incontra la R1 l'altro la R3 + R4 si ovvia a tutto questo utilizzando un'altro circuito più adeguato, ovvero quello che segue :



questo circuito è chiamato 'INSTRUMENTATION', l'ultimo stadio è un' amplificatore a guadagno unitario, si dimostrerà che anche in questo caso il CMRR non è infinito ma a differenza del primo in ingresso avremo tutte resistenze Infinite, non ci sarà quindi dispersione di segnale.



Convertitore Tensione - Corrente


Supponiamo di voler partire dallo stesso schema di principio utilizzato per il convertitore Corrente - Tensione, partiamo quindi dallo schema di un amplificatore invertente :



le prime considerazioni da farsi sono che, la corrente di uscita è proprio la I2 che attraversa R2, ed essendo I2 uguale proprio alla I1 potremo dire che :


I1=I2 => Vi/R1 = Vu/R2

di conseguenza :


I = Vi/R1 = Vu/R2


ma la seconda espressione non rispetta la condizione Ingresso -> Uscita, inoltre la R2 è un carico fluttuante, essa è connessa tra Vu ed il punto A, che è si una massa ma virtuale.

Tutte queste considerazioni rendono lo schema NON IDONEO analizzeremo quindi una nuova conurazione.


Questa riportata di seguito è la soluzione al nostro problema :



la prima cosa da osservare è che R4 ed R sono in parallelo tra loro, senza perder tempo quindi semplifichiamo il circuito :

Rp = R4//R

se lo disegniamo meglio, il circuito diventa :


ebbene si assomiglia ed è, in effetti una conurazione differenziale, dove sull' ingresso V2 c'è proprio la nostra Vu.

Analizziamo l'espressione quindi :

1)           Vo=Vo' + Vo''


quindi considerando il principio della sovrapposizione degli effetti


2)     Vo' = - (R2/R1) x Vi Vo'' = [1+(R2/R1)] x Va


ed attenzione !!  la nostra Va è proprio :


Va =[Rp/(R3+Rp)] x Vo


sostituendo tutto avremo :


4) Vo = [[1+(R2/R1)]] x [[Rp/(R3+Rp)] x Vo] - (R2/R1) x ½


svolgendo l'equazione giungeremo a :


5)    Vo = - [R2 x (R3 + Rp)] / [(R1 x R3) - (Rp x R2)] x Vi


se sostituiamo la Vo nell'equazione n° 3 avremo :


      Va =[Rp/(R3+Rp)] x [- [R2 x (R3 + Rp)] / [(R1 x R3) - (Rp x R2)] x Vi]


semplificando :

e sapendo che Rp = (R4 x R) / (R4 + R)

Svolgendo arriveremo a :

Va = -(R/R4) x Vi

la nostra Va, se osservate il primo circuito iniziale è uguale ad R x I, quindi :


R x I = - (R/R4) x Vi  =>  I = - Vi/R4


e per chi a questo punto lo avesse dimenticato abbiamo dimostrato che la corrente di Uscita I è proporzionale alla Tensione di Ingresso Vi tramite R4 ( Conversione Tensione - Corrente ).







Privacy

© ePerTutti.com : tutti i diritti riservati
:::::
Condizioni Generali - Invia - Contatta